High Temperature Self Aligning Ball Bearing 1204 1205
|
Designations |
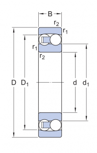
Boundary Dimensions |
Basic Load Ratings |
Mass (kg) |
||
|
d |
D |
B |
C0 |
Refer. |
|
|
1204 |
20 |
47 |
14 |
12.7 |
0.122 |
|
1205 |
25 |
52 |
15 |
14.3 |
0.159 |
For more information , please contact our email : info@cf-bearing.com








